销售热线
0571-89935606
0571-89936112

一、概述
近些年来,国内多处变电站因雷击形成扩大事故,多数与地网接地电阻不合格有关,接地网起着工作接地和保护接地的作用,当接地电阻过大则: 发生接地故障时,使中性点电压偏移增大,可能使健全相和中性点电压过高,超过绝缘要求的水平而造成设备损坏。 在雷击或雷电波袭击时,由于电流很大,会产生很高的残压,使附近的设备遭受到反击的威胁,并降低接地网本身保护设备(架空输电线路及变电站电气设备)带电导体的耐雷水平,达不到设计的要求而损坏设备。同时接地系统的接地电阻是否合格直接关系到变电站运行人员、变电检修人员人身安全;但由于土壤对接地装置具有腐蚀作用,随着运行时间的加长,接地装置已有腐蚀,影响变电站的安全运行;因此,必须大力加强对地网接地电阻的定期监测;运行中变电站地网接地电阻的测量,由于受系统流入地网电流的干扰以及试验引线线间的干扰,使测试结果产生较大的误差。特别是大型接地网接地电阻很小(一般在0.5Ω以下),即使细微的干扰也会对测试结果产生很大的影响;如果对地网接地电阻测试不准确,不仅损坏设备,而且会造成诸如地网误改造等不必要的损失,结合我对接地网接地阻抗测试方法的研究,现总结如下:
二、接地电阻测试原理及方法:
测试接地装置的接地阻抗时电流极要布置的尽量远,通常电流极与被试接地装置边缘的距离dcG应为被试接地装置最大对角线长度D的4~5倍(平行布线法),在土壤电阻率均匀的地区可取2倍及以上(三角形布线法),电压引线长度为电流引线长度0.618倍(平线布线法)或等于电流线(三角形布线法)。
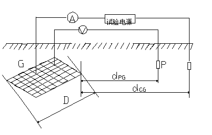
1、电位降法
电位降法测试接地装置的接地阻抗是按图1布置测试回路,且符合测试回路的布置的要求。
	
G—被试接地装置;C—电流极;P—电位极;D—被试接地装置最大对角线长度;dCG—电流极与被试接地装置边缘的距离;x—电位极与被试接地装置边缘的距离;d—测试距离间隔;
图1电位降法测试接地装置的接地阻抗
流过被试接地装置G和电流极C的电流I使地面电位变化,电位极P从G的边缘开始沿与电流回路呈30°~45°的方向向外移动,每间隔d(50m或100m或200m)测试一次P与G之间的电位差U,绘出U与x的变化曲线。曲线平坦处即为电位零点,与曲线点间的电位即为在试验电流下被试接地装置的电位升高U,接地装置的接地阻抗为:
Z=Um/I
如果电位测试线与电流线呈角度放设确实困难,可与之同路径放设,但要保持尽量远的距离。
如果电位将曲线的平坦点难以确定,则可能是受被试接地装置或电流极C的影响,考虑延长电流回路;或者是地下情况复杂,考虑以其他方法来测试和校验。
2、电流—电压表三极法
a)直线法
电流线和电位线同方向(同路径)防设称为三极法中的直线法,示意图2;dcG符合测试回路的布置的要求, dPG通常为(0.5~0.6) dcG.电位极P应在被测接地装置G与电流极C连线方向移动三次,每次移动的距离为dcG的5%左右,当三次测试的结果误差在5%以内即可。
大型接地装置一般不宜采用直线法测试。如果条件所限而必须采用时,应注意使电流线和电位线保持尽量远的距离,以减小互感耦合对测试结果的影响。
		
	
G—被试接地装置;C—电流极;P—电位极;D—被试接地装置最大对角线长度
dCG—电流极与被试接地装置边缘的距离;dPG—电位极与被试接地装置边缘的距离;
图2 电流—电压表三极法接线示意图
b)夹角法
只要条件允许,大型接地装置接地阻抗的测试都采用电流——电位线夹角布置的方式。dcG符合测试回路的布置的要求,一般为4D~5D,对超大型接地装置则尽量远;dPG的长度与dcG相近。接地阻抗可用公式(2)修正.
			
		
θ---电流线和电位线的夹角;
Z'--- 接地阻抗的测试值。
如果土壤电阻率均匀,可采用 dcG和 dpG相等的等腰三角形布线,此时使θ 约为30°,dcG=dpG=2D接地修正公式2。
3、接地电阻测试仪法。
图3是接地电阻测试仪测试接地网接地电阻的接线方法;测试原理、布线、要求与三极法类似。
1、E极在使用三极法测量时必须与P1短接起来,但当地网接地电阻很小,当地网接地电阻较小时(≤0.5Ω),为了提高测量精度,减小仪器与地网测量引线电阻及接触电阻对测量结果的影响,可将E.P短路片解开;减小接触电阻引起的误差,需单独引线与地网测试点相连。